1. 서 론
2. 실내모형실험
2.1 상사법칙
2.2 지반조성
2.3 모형말뚝
2.4 블록
2.5 실험순서
3. 실내모형실험 결과 및 고찰
3.1 무리말뚝 근입깊이에 따른 수평저항력
3.2 무리말뚝 근입깊이에 따른 휨모멘트
4. 결 론
1. 서 론
최근 항만분야에서는 시설물의 확충과 지구환경 변화에 따른 태풍의 강도 증가에 대응하기 위하여 좀 더 중량을 증가시킨 대형 케이슨공법이 방파제에 적용되고 있다. 하지만 강력한 태풍의 파력에 의하여 거대한 케이슨식 방파제가 파손되는 현상이 반복되고 있어 시설물의 파손에 따른 수많은 피해와 비용손실 등이 발생 되고 있다. 케이슨 공법은 케이슨 제작을 위한 대규모 부지가 필요하여 초기 비용이 상대적으로 과대하다. 또한 대규모 중장비에 의해 제작된 케이슨의 운반과 설치가 필요하다. 따라서 대형장비 운영이 불가피할 경우 혹은 소규모의 방파제 설치공사에서는 대체 방법으로 블록형식의 공법이 적용되고 있다. 블록식 공법은 일반적으로 알려져있는 대형의 케이슨공법에 비하여 공사비용이 경제적이고 소형의 장비로도 시공이 가능하나, 구조물의 대형화가 어렵고 활동에 취약하다(Hwang et al., 2018). 이러한 케이슨공법과 블록식공법의 서로 다른 단점을 보완하고자 최근 말뚝으로 보강된 블록식 공법이 새롭게 현장에서 시공되고 있다. 이 공법의 경우 Fig. 1과 같이 블록과 블록을 말뚝으로 일체화 시킬 뿐만 아니라 말뚝이 사석층 및 원지반층까지 근입되어 수평저항력을 높일 수 있으며 기존 케이슨공법 및 블록식 공법보다 단면을 더욱 줄임에 따라 경제적인 시공이 가능하다는 장점이 있다. Kim et al.(2019)은 블록식 항만 구조물의 내진성능향상에 대한 보강방법에 대한 연구를 진행하였다. 보강방법으로 자중 증가 및 구조물 외부에 말뚝을 매설하여 토압을 감소시키는 연구를 진행하였다. 이처럼 말뚝기초의 역할이 기존에는 연약지반 상에서 상부구조물을 지지하거나 토압을 감소시키는 역할이었다면 최근에는 상부구조물과 일체화가 되어 수평저항력을 높이는 역할을 하고 있고 이와 관련된 관련된 연구들이 진행되고 있다. 특히 Kang et al.(2021)은 싱글블록에 대해서 말뚝 근입깊이에 따른 블록식 방파제의 수평저항력에 대한 연구를 진행하였고, Kim et al.(2020)은 기존 블록식 공법보다 말뚝으로 보강된 블록구조체의 수평저항력이 증가됨을 확인하는 연구를 진행하였다.
이렇듯 말뚝으로 보강된 블록식 팡파제에 대한 연구는 초기단계에 있음에 따라 다양한 조건에서의 안전성에 대한 연구들이 진행되어야 할 것으로 보인다. 따라서 본 연구에서는 무리말뚝으로 보강된 블록 형식의 방파제에 대해 말뚝의 근입깊이에 따른 수평저항력과 말뚝 위치별 휨모멘트측정을 통해 말뚝의 거동형태를 파악하였다.
2. 실내모형실험
2.1 상사법칙
무리말뚝의 근입에 따른 구조물의 수평저항력을 평가하기 위해 약 36배 축소시켜 실내모형실험을 수행하였다. Table 1에 나타낸 바와 같이 상사법칙(Iai, 1989)을 적용하여 실험을 수행하였다. Table 2는 실험에 적용된 상사에 따라 실내모형실험에 사용된 재료들의 특성을 나타내고 있다.
Table 1.
Scaling law for the modelling experiments (Iai, 1989)
Table 2.
Material parameters used in the modelling tests
2.2 지반조성
모형지반 제작에 사용한 재료는 합천사를 이용하였고, 기건의 상태에서 4번 체(4.75mm)를 통과시켜 지반을 조성하는데 사용하였다. Table 3은 지반재료 물리적 성질을 타나내고 있으며 Fig. 2는 입도분포곡선을 나타내고 있다. 지반의 상대밀도는 토조 하부의 진동모터를 90초간 가동하여 72%로 조성하였다.
Table 3.
Physical properties of the ground
| Property | Symbol | Value |
| Max. void ratio | emax | 0.79 |
| Min. void ratio | emin | 0.58 |
| Max. dry density | rdmax (kN/m3) | 15.78 |
| Min. dry density | rdmin (kN/m3) | 13.92 |
| Specific gravity | Gs | 2.54 |
2.3 모형말뚝
모형실험에 사용된 말뚝은 하중에 대한 충분한 강성을 지니고있는 동관파이프를 이용하였다. 말뚝의 휨강성 및 재원은 Table 4와 같다. 말뚝에는 Fig. 3과 같이 총 7개의 변형률계를 부착하여 휨모멘트를 측정할 수 있도록 하였다.
본 연구에 사용된 말뚝의 장말뚝 또는 단말뚝 여부를 평가하기 위하여 Broms(1965)의 방법을 적용하였다. 지반의 조밀한 정도인 상대적인 밀도를 통해 지반변형성능 계수(nh) 값을 결정하고, 식 (1)에 의해 특성 값인 η를 산정한다. 산정된 특성 값에 말뚝의 길이(L)을 곱하여 Table 5와 같이 본 연구에 사용된 말뚝의 장단을 판별하였다.
Table 4.
Properties of pile used in the modelling experiments
|
Length (mm) |
Diameter (mm) |
Thickness (mm) |
E (MN/mm2) |
I (cm4) |
EI (MN・cm2) |
| 430 | 28.6 | 1.27 | 12.25 | 1.02027 | 12.4983 |
Table 5.
Results of pile length
2.4 블록
실험에 사용된 블록은 Fig. 4(a), (b)과 같이 싱글블록과 더블블록으로 나누어 제작하였다. 싱글블록과 더블블록을 조합하여 Fig. 4(c)와 같이 복합블록의 형태로 층을 쌓은 후 뚫려있는 구멍에 말뚝을 관입하여 블록과 말뚝이 일체화가 될 수 있도록 제작하였다. 실험에 사용된 블록은 싱글 6개 더블 9개를 조합하여 총 6단으로 블록을 쌓고 실험을 진행하였다.
2.5 실험순서
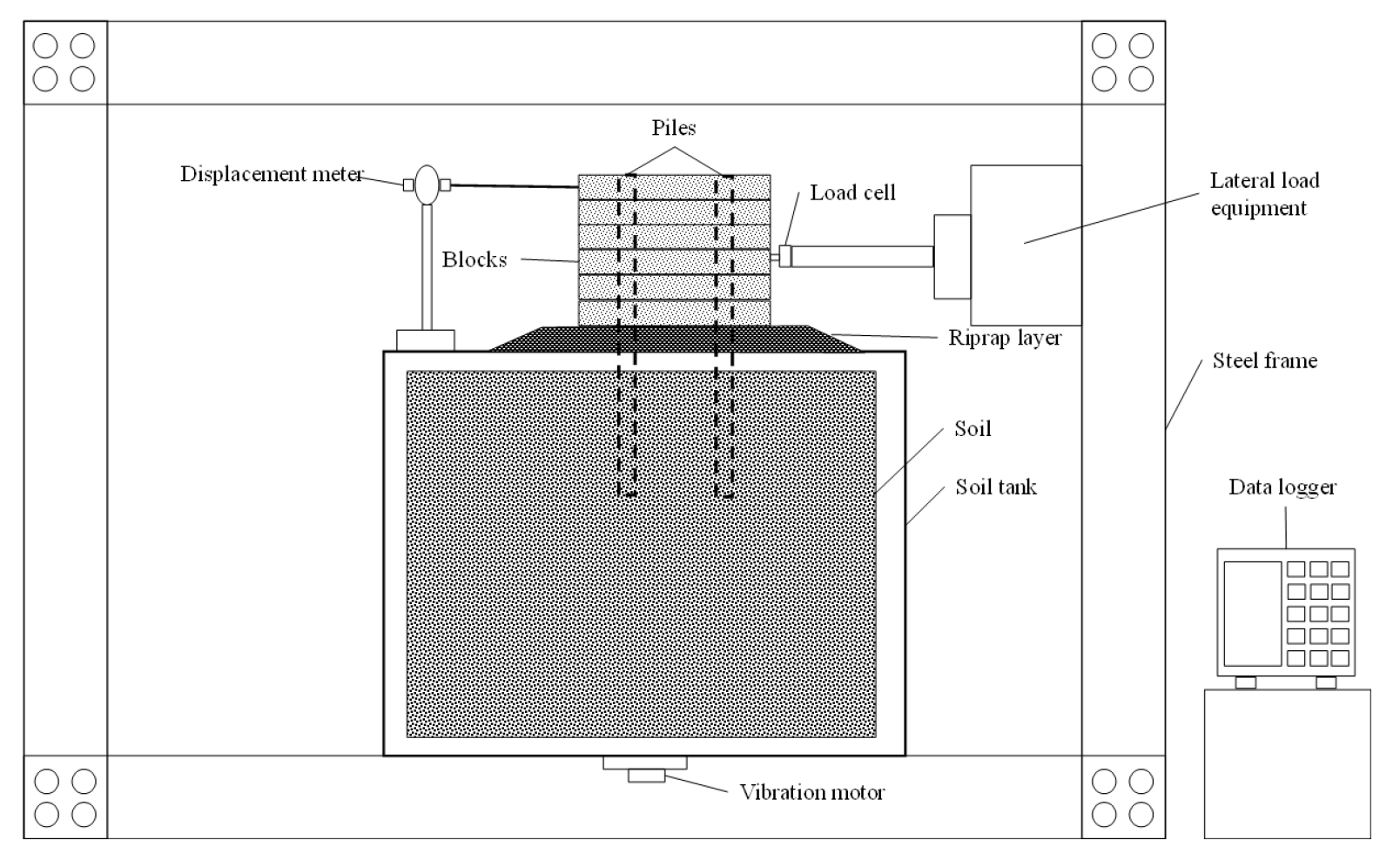
Fig. 5는 모형실험의 전경을 나타내고 있으며 실험에 사용된 토조(강체)는 말뚝에 대한 간섭효과를 무시할 수 있도록 길이, 폭, 높이가 1,000mm×1,000mm×1,000mm가 되도록 제작되었다. 실험순서는 다음과 같다; ① 강사장치를 이용하여 모래 포설, ② 토조위에 각목을 이용하여 사석층이 들어갈 4.29cm의 여유공간을 확보, ③ 블록을 각목 위에 설치, ④ 블록에 뚫려 있는 구멍을 통해 말뚝을 근입, ⑤ 사석을 모래와 블록사이에 채운 후 각목 제거, ⑥ 토조 하부에 부착된 진동기를 90초 가동하여 상대밀도를 72%로 조성 ⑦ 수평방향으로 하중을 블록 상단의 수평변위가 1cm 발생할 때 까지 1mm/min 속도로 재하.
수평변위는 말뚝의 회전각이 2°가 될 때 극한상태에 도달한다는 가정을 적용(Davidson et al., 1982)하여 본 실험에서는 블록 최상단의 수평변위가 1cm가 될 때까지 실험을 진행하였다.
Davison(1982)은 허용변위를 식 (2)와 같이 제안하였다.
여기서, δ : 말뚝 두부의 변위, mm
θ : 말뚝 두부의 회전각, °
hp : 회전절점의 깊이, mm
h0 : 지표에서 말뚝 두부까지의 거리, mm
식 (2)에 4H에서 말뚝의 근입깊이(17.2cm)를 적용하면 회전각 2°의 말뚝 두부 변위는 9.8mm로 계산되며 실험의 편의를 위해 10mm를 최대 허용변위로 결정하였다.
하중의 작용위치는 Fig. 6에 나타낸 바와 같이 과 같이 Goda(1973)의 파압분포도를 이용하였다. Fig. 6에서 방파제에 작용하는 파압은 해수면의 높이에서의 최대치를 P1, 해수면상의 높이에서 “zero”, 저면에서는 P2가 되는 직선적인 하중 분포도로 표현할 수 있다. 이와 같은 파압 분포도를 이용하여 통해 파압의 작용점 위치를 전체 블록 높이에서 아래로부터 0.48배 위치에 하중이 작용하는 것으로 평가 되었다(Kang et al., 2021). 이렇게 한 곳에 집중하중을 작용 시킨 것은 블록의 상・하단을 지그재그 형태로 쌓은 후 블록내 뚫려있는 홀에 말뚝을 관입시켜 조립함으로써 하나의 일체화된 구조물로 보았기 때문이다. Table 6은 실내모형시험 조건을 나타내고 있고 말뚝이 블록내에만 관입되어 있고 지반에는 관입되지 않은 0H를 Case 1, 사석층까지 관입되어 있는 1H를 Case 2, 원지반까지 관입되어 있는 2H∼4H를 Case 3∼Case 5로 하여 실내모형시험을 수행하였다.
3. 실내모형실험 결과 및 고찰
3.1 무리말뚝 근입깊이에 따른 수평저항력
무리말뚝의 근입깊이에 따른 복합 블록의 수평저항력 산정을 위해 말뚝 근입 깊이는 블록 속에만 존재하는 0H, 4.30cm 포설된 사석층까지 말뚝이 근입된 1H, 사석의 높이(H) 만큼 지반에 말뚝이 근입된 2H, 그리고 말뚝을 사석으로부터 3H, 4H 까지 근입시켜 실험하였다. 말뚝은 앞, 뒤 모두 근입 하여 총 8개의 사용하였다. 블록의 층수는 6층(총 무게 412.61kN)으로 구성되어 있다. Fig. 7은 무리말뚝으로 보강된 복합블록의 실험전경을 나타낸 것이다.
Fig. 8은 무리말뚝의 근입 깊이에 따른 복합 블록의 수평저항력을 나타낸 것이다. 말뚝 근입깊이가 깊어질 수록 전체 수평저항력은 증가하였으며, 수평저항력의 증가량 또한 커지는 현상으로 나타났다.
Table 7는 Fig. 8에서 말뚝이 10mm의 변위가 발생할 때 말뚝이 근입된 깊이별 복합 블록의 수평저항력과 말뚝이 부담하는 하중분담율을 나타내고 있다.
Table 7.
Complex block lateral resistance and allotment ratio of piles by pile’s embedment depth
말뚝이 블록내에만 삽입되어 있을 때(0H)의 수평저항력 315.56N값을 기준으로 말뚝이 1H 근입되면 하중증가비는 약 1.52배, 말뚝이 2H 근입되면 약 1.69배, 말뚝이 3H 근입되면 약 1.93배, 말뚝이 4H 근입되면 하중증가비는 약 2.24배로 나타났다. 말뚝이 사석층까지만 근입 되더라도 50% 이상 증가된 저항효과를 나타냄을 알 수 있다. 지반에 근입된 말뚝의 저항력을 평가하기 위해 각각의 깊이별 전체 수평저항력(315.56∼705.6N)에서 말뚝이 지반에 근입되지 않은 0H에서의 수평저항력 315.56N을 각각 차감하여 말뚝의 수평저항력을 계산한 결과 1H에서는 164.64N, 2H에서는 217.56N, 3H에서는 292.04N, 4H에서는 390.04N으로 나타났다. 또한 말뚝 깊이별 지반에 근입된 말뚝의 저항력 증가비를 계산하기 위해 1H의 지반에 근입된 말뚝의 저항력 164.64N을 기준으로 하중 증가비를 계산한 결과 2H, 3H, 그리고 4H의 경우 각각 1.32, 1.77, 2.37로 나타났다.
전체하중에서 말뚝이 저항하는 하중의 값을 평가하기 위해 수평하중 분담율을 산정한 결과 1H∼4H에서 각각 34.29%, 40.80%, 48.06%, 55.28%로 나타났다. 하지만 싱글블록으로 실험을 한 Kang et al. (2021)의 수평하중 분담률 값(45.25%, 51.23%, 59.53%, 66.00%)과 비교했을 때 말뚝이 분담하는 비율이 상대적으로 낮음을 알 수 있다. 이는 말뚝의 중첩효과로 인해 분담율이 떨어진 것으로 사료된다.
3.2 무리말뚝 근입깊이에 따른 휨모멘트
블록구조체와 지반에 근입된 말뚝의 거동을 분석하기 위해 말뚝에 설치되어 측정된 변형율를 통해 휨모멘트는 식 (3)와 같이 계산될 수 있다(Rollins et al., 1998)
여기서, ε : 말뚝의 압축변형률
d : 말뚝(모형)의 반경
Fig. 9는 하중(R)방향을 기준으로 말뚝의 전면 바깥쪽, 전면 안쪽, 후면 바깥쪽, 후면 안쪽, 위치에 따른 명칭을 나타낸 것이다.
Fig. 10은 블록의 변위가 10mm발생했을 때 말뚝의 근입깊이에 따른 말뚝 위치별 휨모멘트를 나타낸 그림이다. y축은 말뚝의 근입깊이를 말뚝직경 28.6mm으로 나누어 무차원으로 나타내었다.
휨모멘트는 후열에 위치한 말뚝이 전열에 위치한 말뚝보다 크게 나타났는데 이는 블록의 중단 부분에 하중이 작용함에 따라 블록의 전도현상이 발생되어 후열 말뚝에 더 큰 하중이 작용함에 따라 나타난 것으로 볼 수 있다. 이를 확인하기 위해 블록의 상단과 하단에서 측정된 변위 값을 통해 Fig. 11과 같이 확인할 수 있다. Fig. 11은 말뚝의 근입깊이가 2H 일 때 블록상단과 하단의 변위 값을 나타낸 것이다. 블록상단의 변위가 하단의 변위보다 크게 나타남으로서 수평하중에 의해 블록이 전도됨을 확인할 수 있다.
또한 안쪽과 바깥쪽에 위치한 말뚝의 휨모멘트를 비교해 보면 바깥에 위치한 말뚝이 안쪽에 위치한 말뚝보다 크게 나타났다. 이는 Kim and Kang(2018)와 같이 무리 말뚝의 경우 말뚝의 간격에 따른 중첩효과로 인해 안쪽과 바깥쪽 말뚝들의 저항력이 달라지며 본 연구에서는 말뚝의 좌우간격이 2D임에 따라 중첩효과가 나타나 휨모멘트의 값들이 차이가 난 것으로 판단된다.
또한, 지반내에서의 최대 휨모멘트 위치는 1.5D 위치에서 나타났는데(2H∼4H), 이곳은 사석층과 원지반의 경계부분임을 알 수 있다. 블록내에서의 최대휨모멘트 위치는 블록하단부에서 3D 위치에서 나타났다.
4. 결 론
본 연구는 실내모형실험을 통해 무리말뚝의 근입깊이에 따른 블록식 방파제의 수평저항력을 측정하였고, 그 결과는 다음과 같다.
(1) 무리말뚝의 근입깊이에 따른 복합블록의 수평저항력은 0H∼4H에서 각각 315.56, 480.20, 533.12, 607.6, 705.6으로 나타났다. 말뚝이 블록내에만 근입되어 있을 때의 값과 비교하여 저항력 증가비로 나타내면 1H∼4H에서 각각 1.52, 1.69, 1.93, 2.24로 나타났다. 즉 무리말뚝이 사석층까지 근입이 되어도 수평저항력이 50%이상 증가함을 알 수 있다.
(2) 지반에 근입된 말뚝의 수평력 값을 전체 수평저항력으로 나누어 말뚝의 하중분담률을 계산한 결과 무리말뚝의 근입깊이 1H∼4H에서의 하중분담률은 각각 34.29%, 40.80%, 48.06%, 55.28%로 나타났다.
(3) 말뚝의 휨모멘트의 경우 후열말뚝이 전열말뚝보다 크게 나타났다. 이는 수평하중에 의해 블록이 전도됨에 따라 후열말뚝에 하중이 크게 작용하였고 이로 인해 휨모멘트가 후열에서 더 크게 나타났다. 바깥쪽 말뚝의 휨모멘트가 안쪽 말뚝보다 크게 나타난 이유는 말뚝의 수평간격이 2D로 좁은 상태임에 따라 말뚞의 중첩효과로 인해 바깥쪽에 위치한 말뚝에서 더 큰 휨모멘트가 발생한 것이라 볼 수 있다.
(4) 지반내에서 말뚝의 최대 휨모멘트 발생위치는 말뚝직경의 1.5배 위치에서 발생하였으며 이는 사석층과 원지반의 경계면임을 알 수 있다.













