1. 서 론
2. 철도교대의 설계
2.1 철도교대의 설계방법과 주요항목
2.1.1 철도교대의 설계 및 부재 설계
2.1.2 교대 안정성 검토
2.1.3 철도설계기준에서의 내부마찰각 설계정수
3. 내부마찰각에 따른 토압의 변화와 부재력 영향
3.1 최소안전율을 만족하는 표준단면 산정
4. 내부마찰각 변화에 따른 안정성 및 공사비 분석결과
4.1 안정성 및 부재력 결과
4.1.1 해석조건별 부재력 검토결과
4.2 내부마찰각변화에 따른 공사비 분석
5. 결 론
1. 서 론
우리나라 철도구조물은 교량이 3,025개소 총 연장 429.2km, 터널 684개소 609.9km로 국내 고속철도 건설 구간에서 교량이 차지하는 비율은 전체 구조물의 약 30%이상으로 호남고속철도 오송-광주송정구간의 경우 총 70개소의 교량이 건설되었다. 일반적으로 교대설계는 지반공학자와 구조공학자가 협업 설계를 하고 있으며, 지반공학 측면에서는 교대배면의 뒤채움재료와 침하의 문제라면, 구조공학자들은 교대에 작용하는 하중과 단면설계라고 할 수 있다. 교대설계는 교대에 작용하는 하중에 대하여 구조물의 안정성 검토와 단면설계라고 할 수 있다. 교대에 작용하는 하중은 수직하중과 수평하중, 교대배면에 작용하는 상재하중과 배면에 작용하는 토압이 있다. 구조물의 안정성검토에서 교대의 전도, 활동 및 지지력에 대하여 사용하중으로 검토하고 구조물의 단면설계를 위한 부재의 단면 두께 검토 및 철근량 등은 계수 하중으로 적용한다. 결국 교대구조물의 단면형상과 두께는 안정성 검토에서 결정되며, 특히 가장 큰 사용하중인 주동토압에 의해 결정된다고 볼 수 있다. 따라서 설계 시 주동토압을 산정하기 위한 토압계수는 뒤채움 재료의 내부마찰각(Φ)에 따라 결정되기 때문에 정확한 설계정수는 교대설계에 중요한 인자가 될 수 있다. 내부마찰각에 따른 교대 안정성의 연구동향을 보면 Marshal(1965)는 동일한 구속응력 조건에서 상대밀도가 증가함에 따라 내부마찰각이 3~4°정도 증가하며, Leps(1970)는 재료 자체의 강도가 높은 재료보다는 입도분포가 양호한 시료를 사용할 때 주어진 응력조건에서 내부마찰각이 증가한다는 실험적 결론을 제시하였다. Ushiro(2006)은 활동의 안전율에 비해 지지력의 안전율이 커지는 이유는 지반의 내부 마찰각의 추정오차가 활동 저항력에 미치는 영향과 극한 지지력에 미치는 영향에서 다르기 때문이며, 지반의 내부마찰각을 35°로 산정하였는데 실제로 30°라면 활동의 저항력은 1/1.2로 저하 하나 극한 지지력은 1/2.4로 저하 한다고 하였다. 결국 내부마찰각의 오차가 5°라고 하면 활동에 대해서는 1.2이상, 지지력에 대해서는 2.4이상의 안전율이 필요하기 때문에 정확한 내부마찰각의 사용은 토압을 받는 구조물에 중요한 인자로 평가되어야 한다고 하였다. Lee (1996)는 국내외 각종 시방서와 문헌들에서 규정하고 있는 캔틸래버식 옹벽의 전도와 활동에 대한 안정에 관해 검토하고 가정단면을 설정하여 각각의 토압론에 따른 발생토압과 전도 및 활동에 대한 안전율을 비교하여 토압합력의 작용위치와 전도에 대한 모멘트 회전중심이 미치는 영향에 대해 분석하였다. Kim (1992)은 캔틸레버 옹벽의 형상에 따른 안정성 및 경제성분석을 통해 옹벽의 높이, 뒷채움 흙의 상단경사와 내부마찰각에 대하여 합리적인 저판길이와 앞굽판의 길이를 제시한 바 있다. Han et al. (2014)은 대형축조블록과 지오그리드 보강재를 이용한 보강토 옹벽의 안정성을 검토하여, 이를 바탕으로 구조물의 적용에 대하여 평가하였다. Yang et al. (2015)는 역 T형 교대를 대상으로 고전적인 랭킨토압, 쿨롱토압 뿐만 아니라 개량쐐기와 다양한 토압이론을 통해 안정성을 검토한 바 있으며, Coulomb토압이론이 안정성이 가장 높다고 발표한 바 있으며, Yoo et al. (2016)은 철도교대 뒷채움재의 내부마찰각 변화에 따른 철근량의 변화량을 비교하였다.
국내 철도설계기준에 따르면 쌓기 재료의 내부마찰각은 통일분류법에 의거하여 GW, GP 계열은 40°, SW, SP는 30°~35°를 적용하여 설계하고 있으며, Lim et al(2011)은 삼축압시험기를 이용하여 강화노반 골재의 전단강도정수(Φ’)가 45.35~47.68°로 확인한 바 있다. 그러나 철도교대의 뒷채움재 구조는 지지강성의 차이로 인한 부등침하를 억제하기 위하여 교대높이의 4H, 20m이상의 접속부 단면으로 시멘트안정처리된골재, 일반골재를 사용한다. 시멘트안정처리된 골재는 중량대비 3%의 시멘트를 처리함으로써 일반골재보다 강도가 증진되어 내부마찰각 40°이상의 값을 가진다. 하지만 실무에서는 뒷채움재의 내부마찰각(Φ)은 30°에서 35°를 적용하여 다소 보수적으로 교대를 설계하고 있다. 본 논문에서는 최소안전율을 기반으로 한 절·성토 표준교대 단면을 선정하여 상부하중 동일하게 적용하고 내부마찰각 변화에 따른 외적 안정성 평가와 공사비 비교 분석을 통해 교대형상에 적합한 내부마찰각 사용의 합리적 방안을 고찰하였다.
2. 철도교대의 설계
2.1 철도교대의 설계방법과 주요항목
2.1.1 철도교대의 설계 및 부재 설계
철도교대는 Fig. 1과 같이 흉벽, 벽체, 확대기초(직접기초, 말뚝기초)와 교량받침 콘크리트와 날개벽 등으로 구성된다. 교대에 작용하는 하중으로는 교량상부하중과 수평하중, 배면에 작용하는 상재하중과 토압 등이 있으며, 이러한 하중을 통해 교대 구조물의 안정성과 단면설계를 하고 있다.
교대의 흉벽설계는 Fig. 2(a)와 같이 상재하중(Qt, Ql) 및 토압(Pa1)을 산정하고 벽체는 Fig. 2(b)와 같이 교량 상부하중(Qv, Qh), 상재하중(Qt, Ql), 자중(흉벽+벽체) 및 토압(Pa2)으로 설계하중을 구한다. 흉벽의 철근량은 계수하중으로서 주철근, 전단철근, 온도(수평)철근 산정하며 온도(수평)철근은 주철근의 20% 적용하며 균열에 의한 사용성 검토는 사용하중으로 설계한다.
교대의 기초는 말뚝기초와 직접기초로 설계하고 있으며, Fig. 3(a)과 같이 앞굽 및 뒷굽 모두 캔틸레버보로 계산하고 재하하중은 자중 및 상재하중, 흙 자중으로 하며, 지반반력을 고려하여 설계한다. 말뚝기초는 Fig. 3(b)와 같이 앞굽 및 뒷굽 모두 캔틸레버보로 계산하고, 재하하중은 자중 및 상재하중, 흙 자중을 반영하며, 말뚝반력은 말뚝의 최대 축방향력으로 산정한다. 안정(변위, 말뚝응력, 지지력) 검토시에는 사용하중으로 하고, 변위기준((
) < 1.5cm(상시), 2.5cm(지진시))을 만족하여야 한다. 또한 말뚝의 휨 및 전단응력은 재질 강도 이내로 말뚝의 총지지력은 허용지지력(지반조사 결과 반영)이내로 설계하며 Fig. 3(c)는 말뚝기초의 설계 자유도 이다.
확대기초로 적용되는 대표적인 강관파일과 PHC 파일의 경우 안정성에 대한 검토만 시행하고 확대기초 설계시에는 말뚝반력은 계수하중으로 검토하며, 현장타설파일의 경우에는 안정성 검토와 계수하중으로 철근량 산정을 위한 단면 검토를 실시한다.
2.1.2 교대 안정성 검토
교대 단면 형상과 규격은 안정성 검토에서 거의 결정된다고 볼 수 있다. 안정성 검토는 허용지지력, 전도, 활동으로 식 (1)~(3)과 같으며, 사용하중으로 검토한다.
(1)
여기서,
: 허용지지력(상시시
, 지진시
),
: 최대지반반력이다.
(상시), 1.5(지진시) (2)
여기서,
= 저항모멘트,
= 전도모멘트이다.
(상시), 1.2(지진시) (3)
여기서, H : 배면에 작용하는 전체 수평력,
: 수평허용지지력이다.
2.1.3 철도설계기준에서의 내부마찰각 설계정수
Table 1은 국내 일반철도의 설계기준인 Korea Rail Network (2013)에 기술된 흙쌓기재료의 강도정수를 나타내었다. 표에서와 같이 흙쌓기 재료의 강도정수는 통일분류법에 의한 흙의 분류에 따라 재료의 상태별 대표적인 내부마찰각, 점착력을 적용하여 설계하도록 되어 있다.
Table 2는 일본 大木基裕 et al. (2004)은 흙의 전단 강도에 기초를 둔 토질 분류로 설계정수를 구분하여 토질분류에 따른 흙에 대하여 세립분 함유율 15%이상의 토질에 대하여 하위(토질 3)로 세분화 시켜 설계정수를 구분시켰다. 표에서와 같이 암버럭 등에 대한 재료는 최대 45°의 내부마찰각으로 설계하고 있는 것을 볼 수 있다.
3. 내부마찰각에 따른 토압의 변화와 부재력 영향
3.1 최소안전율을 만족하는 표준단면 산정
본 논문에서 대상 교대의 단면과 외적안정성 평가를 위한 설계 가정조건은 Table 3와 같다. 표에서와 같이 상부형식은 PSC Beam 25m, 역T형 교대로서 직접기초형식으로 성토와 절토단면으로서 사용재료와 설계하중, 배면의 토압은 Coulomb 주동토압계수를 사용하였다(Korean Geotechnical Society, 2009; Korea Rail Network, 2013, 2014). 외적 안정성은 설계기준에 제시하고 있는 최소안전율로 전도, 활동에 대하여 2.0과 1.5로 가정하였다. 지지력은 허용지지력 600kN이하로 하였다. 교대의 철근량을 산정하기 위한 사용하중과 계수하중의 하중조합은 Table 4과 같다.
Fig.4는 설계가정 조건에서 교대 높이 12m에서의 외적안정성 최소안전율(전도: 2.0, 활동: 1.5, 지지력: 600kN(상시), 900kN(지진시)이하) 에 만족하는 교대형상이다. 즉, 내부마찰각 35°, 40°, 45°에서 구한 주동토압을 기초로 하여 설계기준의 최소안전을 만족시키는 최적의 교대단면이라고 할 수 있다.
Table 5는 성토와 절토부의 표준단면에서 직접기초로 가정하여 내부마찰각 변화에 따른 해석조건으로 총 6개의 조건으로 설계하였다. 시나리오-1은 성토부, 시나리오-2는 절토부에서의 표준단면이며 내부마찰각 35, 40, 45 도에 따라 1-1, 1-2, 1-3으로 표기하였다.
4. 내부마찰각 변화에 따른 안정성 및 공사비 분석결과
4.1 안정성 및 부재력 결과
Table 6은 내부마찰각 변화에 따른 교대 직접기초형식의 표준단면에 대한 외적 안정성 결과이다. Fig. 5와 같이 내부마찰각이 커짐에 따라 전도, 활동의 안전율이 증가하는 것을 볼 수 있으며, 지지력의 안전율은 감소하였다. 이는 최소안전율을 기반한 표준단면의 폭이 내부마찰각이 증가함에 따라 감소하기 때문이다. 전도안전율 측면에서 가장 크게 변화되는 것을 알 수 있다.
Table 7은 직접기초형식에서 절성토 표준단면에서 내부마찰각 35°의 안전율 대비 각 내부마찰각 증가에 따른 전도, 활동의 안정성은 증가하고 지지력의 안정성은 감소하였다. 내부마찰각 5° 이상 증가할 경우 전도의 경우 6.53~48.05%, 활동의 안전율은 15.23~ 49.15%가 증가하였으며, 지지력의 경우 2.92~23.53%가 감소하였다. 또한 지진시의 경우에도 최대 18.64%까지 증가하여 내부마찰각에 따라 안전율이 변화하는 것을 볼 수 있다. 따라서 옹벽에서 사용되는 뒤채움재료의 내부마찰각 30~35°를 적용하는 것은 매우 보수적으로 설계하는 것을 알 수 있으며, 철도교대와 같이 강성이 큰 시멘트안정처리골재와 일반골재의 설계 시 내부마찰각은 보다 합리적인 산정기준의 마련이 필요할 것으로 판단된다.
4.1.1 해석조건별 부재력 검토결과
교대의 부재에 대한 균열 및 처짐에 대한 사용성은 사용하중으로 검토하며 계수하중으로 부재의 단면 두께와 철근량 산정을 하게 된다. Table 8은 내부마찰각 변화에 따른 표준교대단면에서 사용하중과 계수하중에 따른 부재력 결과이다. Table 8에서와 같이 수직력, 수평력, 그리고 모멘트의 부재력은 내부마찰각이 커짐에 따라 부재력은 감소하는 경향을 보였다. 부재력이 작다는 것은 필요한 철근량이 작게 사용될 수 있다는 것을 의미하기 때문에 내부마찰각에 따라 철근량이 작을 수 있다는 것을 시사하는 것이다.
Table 9는 내부마찰각(Φ) 35°을 기준으로 내부마찰각이 5°씩 증가함에 따라 계수하중과 수직하중을 적용한 부재력의 감소율이다. 표에서와 같이 내부마찰각이 증가함에 따라 부재력은 최소 3.86%에서 최대 35.47%까지 감소하는 것을 볼 수 있다. 특히 수평력의 경우에는 최대 57.94%까지 감소가 되어 철근량에 영향을 줄 것으로 판단된다. 모멘트의 경우 최대값(Φ=35)에 비해 계수하중을 적용할 경우 부재력 감소율은 모멘트는 약 13.24~30.39% 감소되었으며 축력은 약 11.93~35.47% 감소하였다. 사용하중으로 적용한 경우에는 모멘트는 11.38~26.50%, 축력은 약 11.93~35.47% 감소되었다.
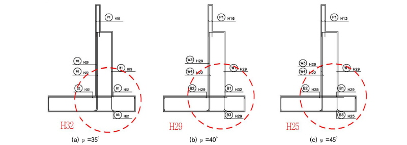
Fig. 6는 부재력을 계산한 결과로 내부마찰각변화에 따른 주철근 조립도를 나타낸 것이다. 교대 직접기초의 지지력 안전율과 부재력 결과를 토대로 철근직경은 기초부에서 내부마찰각 5° 증가됨에 따라 H32→H29→H25 감소시킬 수 있을 것으로 판단된다.
4.2 내부마찰각변화에 따른 공사비 분석
4.2.1 표준단면의 수량산출 및 공사비
Table 10는 내부마찰각별로 최적의 표준교대 단면에 대한 공사비를 산출하기 위한 공정별 수량산출량이다. 수량산출기준은 KR Code 2014 수량산출 기준을 참고하였으며, 단가 산출은 2015 물가변동율을 반영하였다. 철도교대의 공종은 뒤채움, 콘크리트, 거푸집, 철근가공조립비, 비계, Spacer설치, 배면방수으로 내부마찰각 35°을 기준으로 내부마찰각이 5° 증가함에 따라 성토부에서는 철근가공조립량이 5.9~16.1%으로 감소율이 가장 높았으며, Spacer 수평설치, 콘크리트 순으로 6.5~13.0%, 4.9~9.9% 감소하였다. 반면 뒷채움는 내부마찰각이 5° 증가함에 따라 0.2~0.5%으로 증가하였고 그 외 공종은 5% 미만으로 감소하였다. 절토부에서도 철근가공조립량이 5.9~16.1%으로 감소율이 가장 높았으며, Spacer 수평설치, 콘크리트 순으로 6.5~13.0%, 4.9~9.9% 감소하였고 그 외 공종은 5% 미만으로 감소하였다.
Table 11은 성토부의 표준교대 단면에서의 공사비 분석결과이다. Table에서와 같이 교대높이 12m에 대한 성토단면의 m당 공사비는 내부마찰각 35°, 40°, 45°에서 95.4백만 원/m, 93.2백만 원/m, 90.1백만 원으로 각각 산출되었다. 성토의 경우 내부마찰각 35°에 비해 40°로 내부마찰각을 변경하였을 경우 약 2.2%의 감소를 보였으며, 45°인 경우에는 약 5.5%감소하였다. 본 논문에서 제시된 공사비 단가는 m당 단가이기 때문에 총공사비로 산정할 경우에는 교대의 수와 연장에 따라 많은 영향을 줄 것으로 판단된다. 절토의 경우에는 내부마찰각 45°로 증가하여 설계할 경우 감소율은 최대 8.4%로 m당 6.56백만 원의 공사비 절감 효과가 있을 것으로 판단된다. 본 논문에서 뒤채움의 마찰각을 내부마찰각 Φ=35, Φ=40, Φ=45로 향상시킬 경우 교대단면 축소 등으로 인한 경제성 효과가 기대될 수 있을 것으로 판단된다. 교대는 토압을 받는 구조체로 뒤채움의 재질 및 부설방법, 다짐정도, 배수시설 등에 따라 교대에 미치는 영향이 민감한 구조물이다. 하지만 보통 실무에서는 경험치인 내부마찰각을 30~35°를 적용하고 있는 실정으로 뒤채움재의 물성치값을 현실에 부합되는 보다 합리적인 값의 설정이 필요하다고 할 수 있다.
5. 결 론
본 연구에서는 교대높이 12m로 가정하고 직접기초의 교대를 최소안전율을 기반하여 표준단면을 선정하였다. 내부마찰각(Φ) 변화에 따른 표준교대단면의 외적 안정성과 부재력검토를 통해 공사비를 분석하였으며, 다음과 같은 결과를 도출하였다.
(1)내부마찰각 변화에 따른 절․성토 표준교대단면에 안정성 해석결과 내부마찰각 35°의 안정율 대비 각 내부마찰각 5°가 증가할 경우 전도의 경우 6.53~48.05%, 활동의 안전율은 15.23~49.15%, 지지력의 경우 2.92~23.53%가 증가하였다. 또한 지진시의 경우에도 최대 18.64%까지 증가하여 내부마찰각에 따라 안전율이 변화하는 것을 볼 수 있다.
(2)내부마찰각 변화에 따른 절․성토 표준교대단면에 부재력 해석결과 내부마찰각 35°을 기준으로 내부마찰각이 5°씩 증가함에 따라 부재력은 최소 3.86%에서 최대 35.47%까지 감소하는 것을 볼 수 있다. 특히 수평력의 경우에는 최대 57.94%까지 감소가 되어 철근량에 영향을 줄 것으로 판단된다. 모멘트의 경우 최대값(
=35)에 비해 계수하중을 적용할 경우 부재력 감소율은 모멘트는 약 13.24~30.39% 감소되었으며 축력은 약 11.93~35.47% 감소하였다. 사용하중으로 적용한 경우에는 모멘트는 11.38~26.50%, 축력은 약 11.93~35.47% 감소되었다.
(3)내부마찰각 변화에 따른 절․성토 표준교대단면에 공사비는 교대높이 12m에 대한 성토단면의 m당 공사비는 내부마찰각 35°, 40°, 45°에서 95.4백만 원/m, 93.2백만 원/m, 90.1백만 원으로 각각 산출되었다. 성토의 경우 내부마찰각 35°에 비해 내부마찰각을 변경하였을 경우 약 2.2~5.5% 감소하였으며 절토의 경우에는 3.6~8.4% 감소하였다.








, c of Soil 2.
≧10, 1<
≦
) will use
, c of Soil 1. For the rest, it is Soil 2
, c of Soil 1.
, c of Soil 4
, c of Soil 4
= 35, 40, 45°
=0.11(Ground typeⅠ)


