1. 서 론
2. 실내모형실험
2.1 상사법칙
2.2 실험장비
2.3 실험절차 및 실험케이스
3. 실내실험 결과 및 고찰
3.1 말뚝 근입깊이에 따른 수평저항력
3.2 말뚝 근입깊이에 따른 휨모멘트
4. 결 론
1. 서 론
최근 풍력, 태양열, 수력 발전 등 신재생에너지 분야에 대한 관심이 많아지고 있다. 특히 제주도 같은 경우, 제주도 전체가 바다로 둘러싸여 있어 육상이 아닌 해상에 풍력발전을 시공하고 있다. 해상 풍력발전의 경우 지속적인 풍력과 조력으로 인해 발생되는 수평력으로 전도, 활동 등에 대한 기초의 안전성을 갖추어야 되고, 과다한 시공비용이 발생하지 않도록 알맞은 시공방법을 선정하여 경제성까지 갖추어야 한다. 안전성과 경제성을 위해 다양한 기초형식들이 적용되고 있는데, 일반적으로 케이슨, 모노파일, 부유식 등이 적용되고 있다.
최근 해상구조물 기초에 말뚝을 보강한 블록식 기초들이 새롭게 연구되고 있다. Kim et al.(2020)는 해상기초에 블록과 블록을 말뚝으로 결속시킬 경우 기존 블록식 기초보다 수평저항력이 크게 나타남을 확인하였다. Kang et al.(2021a)는 말뚝으로 보강된 블록식 방파제의 말뚝 근입깊이에 따른 수평저항력 측정을 통해 말뚝 근입깊이별 수평하중 증가비를 구하였다. Kang and Kim(2021a)는 무리말뚝으로 보강된 블록식 방파제의 거동 연구를 통해 말뚝 위치별 거동양상을 연구하였다. Kang and Kim(2021b)는 반복수평 하중을 받는 말뚝으로 보강된 블록식 방파제의 수평저항력에 대한 연구를 진행하였다. 풍력발전기초와 관련해서도 최근 말뚝으로 보강된 기초의 거동에 대한 연구들이 진행되었는데, Kang et al.(2021b)는 기존 중력식 기초에 비해 말뚝으로 보강된 풍력발전 기초의 수평저항력의 효율에 대한 연구를 진행하였다. Ha et al.(2022)는 말뚝의 배열에 따른 말뚝으로 보강된 풍력발전 기초의 저항에 대한 연구를 진행하였다.
해상풍력의 기초는 우선적으로 지지력 확보가 중요하므로 지반조건에 따라 선택한다. 지반 상태가 좋은 암반지반이나 조밀한 모래지반의 경우 중력식확대기초 적용이 가능하나, 그렇지 않은 경우 말뚝을 사용하는 모노파일 또는 석션버켓과 같은 기초공법을 적용한다(Negro et al., 2014; Esteban et al., 2015). 예를 들어 석션버켓 해상풍력기초의 경우 Houlsby et al.(2005)와 Kelly et al.(2006)는 점토와 사질토에서 수평 및 수직하중에 대한 버켓 기초의 동적응답을 예측하기 위해 현장실험들을 수행하였다. 반면 기초를 통해 해상풍력구조물의 하중이 지반으로 직접적으로 전달되는 중력식확대 해상풍력기초에서는 상대적으로 자갈 지반에 대한 연구들도 진행이 되었다(Esteban et al., 2019; Li et al., 2018).
이처럼 최근 말뚝으로 보강된 해상구조물의 기초에 대한 연구들이 활발히 진행되고 있고, 사질토, 점토 및 자갈 지반에서의 풍력기초에 대한 연구들도 이루어지고 있다. 하지만 암반 지반에서 말뚝으로 보강된 풍력발전 기초에 대한 연구는 미비한 실정이다. 따라서 본 연구에서는 암반지반에서 말뚝 근입깊이에 따른 말뚝으로 보강된 풍력발전기초의 거동특성에 대해 연구하고자 한다.
2. 실내모형실험
2.1 상사법칙
말뚝으로 보강된 풍력발전 기초의 근입깊이에 대한 수평저항력에 대한 연구를 위해 실내 모형실험을 수행하였다. 실대형 실험이 아닌 모형실험임에 따라 최대한 실제 현상을 재현할 수 있도록 상사법칙을 적용하여 실험하였다. 모형실험은 Table 1과 같이 Iai(1989)의 상사법칙을 적용하였다. Iai(1989)의 상사법칙에 따라 모형실험에 사용될 재료들은 Table 2와 같이 결정하였다. Table 2에서 프로토 타입의 수치들은 제주도 해상풍력발전 하부기초개발에 적용된 제원(Yuju corporation, 2022)들을 일부 활용하여 설정하였으며, 실험실에서 실험 가능한 최대 크기로 모형실험을 하기 위해 상사비 값은 28.61로 설정하였다.
Table 1.
Similarity law of Iai(1989)
| Scale Factor, λ=28.61 | Iai(1989) | Model | Prototype |
| length | λ | 1 | 28.61 |
| Density | 1 | 1 | 1 |
| Stress and pressure | λ | 1 | 28.61 |
| Time | λ3/4 | 1 | 12.37 |
| Acceleration | 1 | 1 | 1 |
| EI of pile/width | λ7/2 | 1 | 125,260.03 |
| Displacement | λ3/2 | 1 | 153.03 |
| Bending moment | λ3 | 1 | 23,418.20 |
| Strain | λ1/2 | 1 | 5.35 |
Table 2.
Properties of materials to which Iai’s similarity law is applied
2.2 실험장비
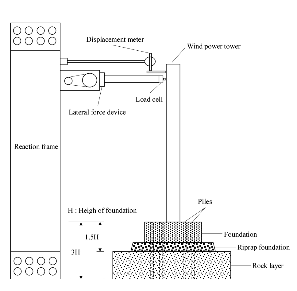
시멘트-모르타르를 사용하여 타워기초 및 원지반(암반)을 Fig. 1과 같이 제작하였으며, 28일간의 양생 후 거푸집을 탈거하였다. 타워기초 및 원지반 모두 모형실험시 말뚝 관입을 위한 공간을 만들어 놓기 위해 말뚝과 같이 시멘트-모르타를 타설하였고, 타설한 다음날 말뚝을 제거하였다.
실험에는 동관으로 제작된 말뚝을 사용하였으며, 제원은 Table 3와 같다. 말뚝의 휨모멘트 측정을 위해 말뚝에 5개의 스트레인 게이지를 설치하였으며 Fig. 2와 같다.
Table 3.
Characteristics of model pile
|
Length (mm) |
Diameter (mm) |
Thickness (mm) |
Elastic modulus (MN/cm2) |
Moment of inertia (cm4) |
Bending rigidity (MN·cm2) |
| 420 | 22.22 | 1.65 | 12.25 | 0.567299 | 6.949413 |
2.3 실험절차 및 실험케이스
Fig. 3은 모형실험의 모식도를 나타내고 있으며 실험순서는 Fig. 4와 같다; 원지반 설치후 상부에 사석층 포설, 풍력기초 설치 및 말뚝관입, 풍력타워와의 연결 및 계측장치 설치, 마지막으로 하중재하(1mm/min) 순으로 실험을 수행하였다. 실험 종류는 Table 4와 같이 말뚝이 관입되어 있지 않은 경우(0H), 사석층까지 관입되어 있는 경우(1.5H), 암반지반까지 관입되어 있는 경우(2H, 2.5H, 3H)로 총 5가지 케이스로 나누어 실험을 수행하였다.
3. 실내실험 결과 및 고찰
3.1 말뚝 근입깊이에 따른 수평저항력
말뚝의 근입깊이에 따른 풍력발전기초의 수평저항력을 산정하기 위해 말뚝이 근입되지 않은 0H, 사석층까지 근입된 1.5H, 사석층과 암반지반까지 근입된 2H, 2.5H, 3H 까지 근입시켜 실험을 수행하였다. 말뚝의 회전각이 2°일 때 말뚝이 극한상태에 도달한다고 발표한 Davidson et al.(1982)의 연구를 활용하여 말뚝 두부의 수평변위가 15mm 될 때 까지 측정하려 하였지만 본 연구에서는 말뚝이 지반에 근입되어 있는 상태가 아닌 암반에 근입되어 있는 상황임에 따라 두부변위가 극소량으로 나타남에 따라 말뚝이 근입되어 있지 않은 상태에서 타워 두부의 변위가 25mm일 때 수평저항력이 수렴하는 값을 보임에 따라 타워 두부의 변위가 25mm 일 때 까지 실험을 진행하였다.
Fig. 5는 말뚝 근입깊이에 따른 수평저항력을 나타낸 것이다. 말뚝 근입깊이가 깊어짐에 따라 수평저항력은 증가하는 경향이 나타났다.
풍력 타워 두부의 변위가 25mm일 때 근입깊이별 수평저항력 값을 Table 5와 같이 나타내었다. 말뚝이 근입되지 않은 상태(0H)의 수평저항력 값(84.28N)을 기준으로 하중증가비를 나타낸 결과 1.5H, 2H, 2.5H, 3H에서 각각 1.42배, 1.88배, 2.26배, 2.89배로 나타났다. 말뚝 자체만의 저항력을 산정하기 위해 말뚝이 근입되지 않은 0H일 때의 저항력인 84.28N을 차감한 후 근입깊이 1.5H값을 기준으로 하중비를 계산해본 결과 2H, 2.5H, 3H의 경우 각각 2.11, 3, 4.53의 값을 나타내었다. 전체하중에서 말뚝이 분담하는 하중의 값을 구하기 위해 말뚝하중분담율을 계산해본 결과 1.5H, 2H, 2.5H, 3H에서 각각 29.51%, 46.91%, 55.67%, 65.46%로 나타났다.
Table 5.
Lateral resistance and load sharing ration of piles according to pile embedment depth
3.2 말뚝 근입깊이에 따른 휨모멘트
타워기초, 사석층 및 암반지반에 근입된 말뚝의 거동양상을 파악하기 위해 말뚝에 부착된 변형율계 값을 통해 말뚝의 휨모멘트를 계산하였다. 특히 최대휨모멘트 발생 위치는 전단력이 가장 크게 작용하는 지점임에 따라 휨모멘트를 통해 이 위치를 확인하고자 하였다. 계산식은 Rollins et al.(1998)이 제안한 식 (1)를 이용하여 산정하였다.
여기서, M : 말뚝의 휨모멘트
E : 말뚝의 탄성계수
I : 말뚝의 단면2차모멘트
ε : 말뚝의 종방향 변형률
d : 말뚝의 반경
Fig. 6은 근입깊이에 따른 휨모멘트를 나타낸 그래프이다. y축은 말뚝의 근입깊이에 풍력발전 기초의 높이(H) 139.8mm를 나누어 무차원으로 나타내었다. 말뚝의 근입깊이에 따라 휨모멘트 위치 및 최대휨모멘트의 크기는 다르게 나타났다. 말뚝의 근입깊이가 2H, 2.5H, 3H의 경우 최대 휨모멘트의 값은 각각 807.63N·cm, 1984.65N·cm, 2397.86N·cm로 나타났으며 휨모멘트의 발생 위치는 모두 –1 위치에서 나타났다. -1 위치는 풍력발전 기초와 사석층의 경계면인 곳이다. 반면 말뚝의 근입깊이가 1.5H 즉 사석층까지만 근입된 상태에서는 최대휨모멘트의 크기가 75.13N·cm로 나타났으며, 최대휨모멘트 발생 위치는 –0.5 위치에서 나타났는데 이는 풍력발전 기초내에서 최대휨모멘트가 나타난 것이다. 즉 말뚝이 암반지반까지 근입이 될 경우 최대 휨모멘트의 발생위치는 풍력발전기초와 사석층에서 발생됨을 확인할 수 있다. 이는 말뚝두부 상단이 풍력발전 기초와 일체화가 되어 있어 말뚝 두부가 회전 구속되어 있음에 따라 나타난 결과라 생각된다.
기존의 수평하중을 받는 말뚝기초와는 달리 본 연구의 말뚝은 상부가 풍력발전기초와 일체화 될 수 있도록 원지반(암반지반)보다 상부로 많이 올라와 있는 상태이며, 하부는 암반지반에 매설되어 있는 상태이다. 기존의 사질 및 점토지반에 매설된 두부 구속된 말뚝의 최대휨모멘트의 위치(Broms, 1965)가 지표면에서 발생하는 것과 같이 본 연구에서 최대휨모멘트의 위치가 풍력발전기초와 사석층에사이에서 나타난 것은 유사한 양상으로 나타난 것으로 볼 수 있다.
Fig. 6에서 말뚝 두부가 회전구속임에 따라Depth/Foundation height 값이 0인 지점은 값이 없으며, 말뚝의 가장 하단 부분은 경계조건에 의한 지정 값임에 따라 0으로 나타내었다.
4. 결 론
본 연구는 말뚝으로 보강된 풍력발전기초의 말뚝근입깊이에 따른 수평저항력 및 휨모멘트를 알아보기 위해 실내모형실험을 진행하였고, 그 결과는 다음과 같다.
1. 말뚝의 근입깊이에 따른 풍력발전기초의 수평저항력은 1.5H, 2H, 2.5H, 3H에서 각각 119.56, 158.76, 190.12, 244.02N으로 나타났다. 말뚝이 근입되지 않았을 때의 값과 비교하여 저항력 증가비로 나타내면 1.5H~3H에서 각각 1.42, 1.88, 2.26, 2.89로 나타났다.
2. 순수한 말뚝의 저항력을 비교하기 위해 말뚝이 근입되지 않았을 때의 저항력 값 84.28N을 차감하여 계산한 결과 1.5H, 2H, 2.5H, 3H에서 각각 35.28, 74.48, 105.84, 159.74N으로 나타났다. 이때 말뚝이 사석층 까지만 근입된 값을 기준으로 말뚝의 저항력 증가비를 계산한 결과 말뚝이 암반에 근입된 2H가 말뚝이 사석층 까지만 근입된 1.5H의 값보다 2.11배 큰 저항력 증가비가 나타났다.
3. 말뚝의 하중분담율을 계산한 결과 말뚝의 근입깊이가 1.5H에서는 29.51%, 2.0H에서는 46.91%로 나타났다.
4. 말뚝이 암반지반까지 근입 되는 경우 최대 휨모멘트의 발생 위치는 풍력발전기초와 사석층의 경계면에서 나타남을 확인하였다.
5. 이상의 결과들을 통해 본 연구에서 제안한 말뚝, 풍력발전 기초, 암반지반을 일체화 시킨 경우가 기존의 중력식 풍력발전 기초보다 수평저항력에 대한 안전성이 우수함을 확인할 수 있었다.
6. 본 연구는 현장의 시공성을 위해 암반지반 천공 및 현장타설말뚝의 개념으로 접근하려 하였으나 천공 및 말뚝 항타 개념으로 진행이 되었다. 때문에 말뚝과 풍력발전기초 및 암반지반을 일체화 시키는 부분에서 약간의 이격들이 발생을 하였다. 향후 이러한 문제점들을 보완하기 위해 현장타설말뚝의 형태로 추후 연구들을 진행할 필요가 있을 것으로 사료된다.








