1. 서 론
2. 본 론
2.1 2차원 열차 모델
2.2 단순 3차원 상호작용 해석모델
2.3 부구조화기법 상호작용 해석모델
2.4 궤도 불규칙 성분의 산정
2.5 동적 수치해석 기법
2.6 수치예제 결과 및 고찰
3. 결 론
1. 서 론
최근의 연구에서는 열차-교량의 상호작용, 열차-트랙-교량의 상호작용에 대한 복잡합 거동을 묘사하기 위한 연구가 다수 수행되었다. Gong et al.(2020)은 ANSYS와 MATLAB을 이용한 열차-트랙-교량의 상호작용 해석 시뮬레이션 방법론을 제시하였다. Zhang et al.(2016)은 Kalker 선형 크리프 이론을 이용하여 차륜과 레일의 상호작용 시뮬레이션 방법을 제안하였다. Engberg(2017)와 Arvidsson(2018)은 ABAQUS와 MATLAB을 이용한 열차-트랙-교량의 상호작용 해석 시뮬레이션 방법론을 제시하였다. 반면에 복잡한 열차-교량 상호작용에 대해 효율적으로 시뮬레이션하기 위한 최근 연구들은 수행된 사례가 적다. 효율적인 열차-교량 상호작용 해석을 위하여 부구조화기법을 적용한 기존에 소수의 연구 사례가 있다. Biondi et al.(2005)은 연속 부구조인 교량과 레일, 이산 부구조인 열차를 연관시키는 성분 모드 합성법(Component-mode synthesis method)의 변형된 방법을 제시하였다. Qiao et al.(2018)은 열차-교량-기초-지반 전체 시스템을 열차-교량 부구조와 지반-기초 부구조로 나누어 지반 구조물 상호작용을 고려한 열차-교량 시스템의 상호작용 해석을 위한 부구조화기법을 제시하였다.
본 연구에서는 일반적인 2차원 교량-고속열차 상호작용해석모델의 정확성을 개선시킴과 동시에 완전 3차원 정밀해석모델에 비하여 효율적인 해석모델의 개발에 관련한 연구를 수행한다. 즉, 단순 3차원 상호작용 해석모델을 적용한 부구조화기법 상호작용 해석모델을 제안하고, 이러한 해석모델에 대한 검증 예제해석을 수행하여 타당성을 검증한다.
부구조화기법 상호작용 해석모델은 단순 3차원 상호작용해석모델을 기본으로 하여 부구조화 기법(Substructuring technique)을 적용하여 교량상부구조 및 교량하부구조를 구분하여 모형화 함으로써 효율적으로 교량-열차 상호작용해석을 수행하기 위한 해석모델이다. 동적해석문제의 경우 자유도(Degrees of freedom)가 증가함에 따라서 수치해를 구하기가 쉽지 않다. 그러나, 응축기법(Condensation method)을 사용하여 자유도를 감소시켜 고유치해석 및 이후의 시간단계별 동적해석에 있어서의 계산 시간 등을 줄일 수가 있다. 이러한 응축기법을 사용함으로써 정확성이 떨어질 수 있지만, 적절한 경계절점을 정의하면 이러한 문제는 피할 수 있다. 본 연구에서는 Guyan의 감소방법(Guyan reduction method)을 이용하여 적용한다.
2. 본 론
본 장에서는 2차원 열차 모델을 이용한 교량-열차 상호작용해석의 단순 3차원 상호작용 해석모델에 대한 부구조화 기법의 정식화 과정을 제시한다. 부구조화기법 상호작용 해석모델은 단순 3차원 상호작용 해석모델을 기본으로 하여 부구조화 기법(Substructuring technique)을 적용하여 교량상부구조 및 교량하부구조를 구분하여 모형화 함으로써 효율적으로 교량-열차 상호작용해석을 수행하기 위한 해석모델이다. 동적해석문제의 경우 자유도(Degrees of freedom)가 증가함에 따라서 수치해를 구하기가 쉽지 않다. 그러나, 응축기법(Condensation method)을 사용하여 자유도를 감소시켜 고유치해석 및 이후의 시간단계별 동적해석에 있어서의 계산 시간 등을 줄일 수가 있다. 이러한 응축기법을 사용함으로써 정확성이 떨어질 수 있지만, 적절한 경계절점을 정의하면 이러한 문제는 피할 수 있다. 본 연구에서는 Guyan의 감소방법(Guyan reduction method)을 이용하여 적용한다. 이러한 정식화 과정에 대하여 수치예제를 통하여 고찰한다.
2.1 2차원 열차 모델
단순 3차원 상호작용 해석모델에서는 Fig. 1과 같은 고속열차의 2차원 모형을 기반으로 하여 Lagrange의 운동방정식을 적용하여 교량-열차의 운동방정식을 유도한다. 차량의 상하진동과 피칭에 대해 차량 사이의 연결부 관절(Joint)에서는 연직방향 자유도, 대차의 상하진동과 피칭에 대해 대차 중앙에서의 연직방향 자유도와 회전 자유도가 존재한다. 차량과 대차는 질량을 갖는 강성체(Rigid body)이며, 열차는 등속도 직선운동을 하고, 차륜은 항상 접촉면과 붙어 있다고 가정한다. Lagrange의 운동방정식을 적용하기 위하여, 동력차, 동력객차, 객차에 대한 각각의 운동에너지(Ek), 포텐셜 에너지(Ep), 감쇠에너지(Ed)를 대차, 연결부 관절, 교량의 자유도로 표현한다(Fig. 2). 그리고, 차륜-축 위치에서의 1차 현가장치의 신축량 및 차축과 교량 사이의 상호작용력의 관계식의 유도를 위한 대차(Bogie)와 교량의 2차원 상호작용 해석모델은 Fig. 3과 같다(Song and Choi, 2002).
2.2 단순 3차원 상호작용 해석모델
2.2.1 교량의 모형화
2차원에서 보요소가 갖는 2개의 자유도(연직변위 vb, 회전변위 θb) 외에 비틀림회전변위(Torsional rotation ∅b)를 추가시킨 보요소를 사용함으로써 축하중 편심의 영향에 대한 고려가 가능하다(Fig. 4). 사용하는 보유한요소는 Hermitian 형상함수를 사용하여 강성행렬을 구성하며 전단변형을 고려한다(Timoshenko 이론). 또한, Hermitian 형상함수를 사용하여 일관질량행렬(Consistent mass matrix)을 구성하여 해석에 사용하며, 전단변형에 의한 영향은 고려하지 않는다(Przemieniecki, 1968; Chang and Liu, 1996). 본 연구의 적용 교량은 직선형 교량에 대해서만으로 한정한다.
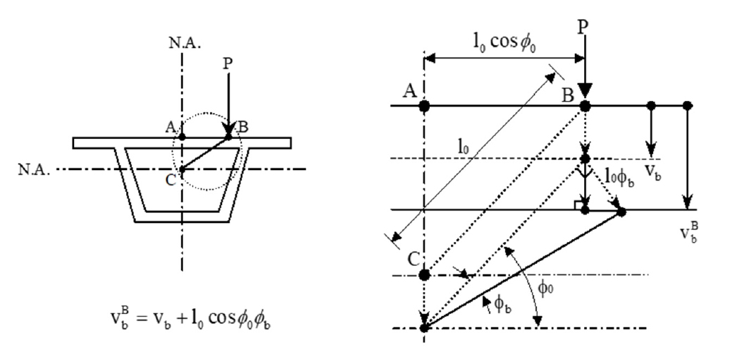
2.2.2 축하중의 편심 모델링
Fig. 5에서와 같이 하중 P가 교량의 단면 도심에 대해 (=l0cos φ0)만큼 떨어진 B위치에 작용되면 교량 도심에서는 연직변위(vb)와 비틀림 회전(∅b)이 동시에 발생하게 되는데, 이 때, B위치에서는 교량 도심에서의 연직변위에 추가적으로 l0cos φ0 φb만큼의 연직변위가 더 발생하게 된다. 그러므로, B위치에서의 총연직변위(vbB)는 vb+l0cos φ0 φb가 되어서 1차 현가장치의 신축량은 l0cos φ0 φb만큼 감소된다.
차량 축하중의 편심에 의한 교량의 비틀림회전변위를 고려하면 j1, j2 차륜-축 위치에서의 1차 현가장치의 신축량은 식 (1), (2)와 같다(Fig. 3).
식 (1)과 (2)에서의 vtj1와 vtj2은 각각, j-대차의 첫 번째와 두 번째 차륜 하부에서의 교량의 연직 궤도 불규칙성분이고, vbj1와 vbj2는 각각 j-대차의 첫 번째와 두 번째 차륜 하부에서의 교량의 연직변위이며, φbj1와 φbj2는 각각 j-대차의 첫 번째와 두 번째 차륜 하부에서의 교량의 비틀림회전변위이다. 또한, 차륜 하부에서의 교량의 변위는 교량의 요소 절점 변위로부터 다음과 같이 보간하여 구할 수 있다.
여기서, αj1=bj1/cj1, βj1=1-αj1, αj2=bj2/cj2, βj2=1-αj2이다.
그러므로, 식 (3)∼(6)을 식 (1)과 (2)에 대입하면 j-대차의 차륜-레일 접촉점에서의 1차 현가장치의 신축량을 다음과 같은 식으로 표현할 수 있다.
위의 식 (7)과 (8)을 2차원 열차모델의 포텐셜에너지, 감쇠에너지 식에 대입하면 교량, 대차, 연결부의 자유도에 의해서 2차원 열차모델의 운동에너지, 포텐셜에너지, 감쇠에너지를 표현할 수 있다(Song and Choi, 2002).
2.2.3 단순 3차원 상호작용 해석모델의 교량-열차 상호작용력
열차가 교량 상을 통과할 시에 교량과 열차의 상호작용에 의해서 교량과 열차 사이에서는 정적하중에 부가하여 1차 현가장치의 변형에 의한 상호작용력이 발생하게 된다. 이러한 상호작용력을 고려함으로써 교량-열차 시스템행렬의 정식화에서 열차와 교량 자유도의 연관항(Coupling terms)이 구성된다.
j-대차의 첫 번째 차축(axle)과 교량 사이의 상호작용력은 다음 식과 같이 주어진다(Fig. 3).
여기서, Msj1과 mu는 1차 현가장치의 스프링상 질량과 스프링하 질량(차륜-축)을 각각 표시하며, g는 중력 가속도이다.
단순 3차원 해석모델의 경우에는 식 (9)의 양변에 (=l0cos φ0)를 곱함으로써 교량의 비틀림회전변위에 대한 운동방정식이 유도된다.
2.2.4 교량-열차 시스템의 운동방정식
교량을 유한요소로 모형화 할 때에 식 (9)로 주어지는 상호작용력을 유한요소의 절점에 가해지는 상호작용력으로 보간할 수 있으며, 절점에 가해지는 상호작용력에 대한 식으로부터 차량, 대차, 교량의 자유도에 가해지는 하중, 에 의한 운동방정식을 구성할 수 있다. 따라서, 교량-열차 상호작용에 의한 교량의 운동방정식이 다음 식 (10)과 같이 구성된다.
여기서, [Mb], [Cb], [Kb], {qb(t)}는 각각 교량의 질량행렬, 감쇠행렬, 강성행렬, 변위벡터이고, {Pb(t)}는 교량의 절점으로 전달되는 하중벡터이다.
위의 식 (9), (10)으로부터 단순 3차원 상호작용 해석모델에 대한 교량-열차 시스템의 운동방정식이 식 (11)과 같이 유도된다.
풀어 쓰면,
여기서, [Mtotal(t)], [Ctotal(t)], [Ktotal(t)]는 각각 시간 경과에 따른 대차의 위치에 따라 변화하는 교량-열차 시스템의 질량행렬, 감쇠행렬, 강성행렬이며, {Ptotal(t)}는 하중 벡터이고, {q(t)}는 <qb(t) qv(t)>T로서 보요소로 모델링된 교량의 자유도와 교량 상에 존재하는 대차 및 연결부의 자유도의 합으로 구성되는 벡터이다. [Mtotal(t)]는 교량에 대한 질량행렬([Mb]), 열차의 스프링하 질량에 대한 질량행렬([Mu(t)]), 열차의 자유도에 대한 질량행렬([Mv(t)])로 구성된다. [Ctotal(t)]는 교량에 대한 감쇠행렬([Cb]), 열차에 대한 감쇠행렬([Cv(t)]), 열차의 1차 현가장치에 의한 교량의 감쇠행렬([Cp(t)])로 구성된다. [Ktotal(t)]는 마찬가지로 교량에 대한 강성행렬([Kb]), 열차에 대한 강성행렬([Kv(t)]), 열차의 1차 현가장치에 의한 교량의 강성행렬([Kp(t)])로 구성된다. 그리고, 하중벡터 {Ptotal(t)}는 교량에 대한 하중벡터([Pb(t)])와 열차에 대한 하중벡터([Pv(t)])로 구성된다. 열차의 자유도와 교량의 자유도 간의 상관관계로부터 [Cc(t)]와 [Kc(t)]가 구성되어 전체 교량-열차 시스템 행렬의 구성이 완성된다(Song and Choi, 2002).
2.3 부구조화기법 상호작용 해석모델
2.3.1 부구조화기법
대형구조물을 많은 유한요소들로 모형화하여 해석을 수행하는 경우 많은 계산 시간이 요구되기도 하고 컴퓨터의 연산능력을 초과하게 되어 해석을 제대로 수행하지 못하는 경우가 있다. 특히, 동적해석에 있어서는 1000개의 자유도가 있는 문제만 하더라도 고유진동수와 고유진동모드를 수치해석으로 구하는 것이 많은 계산의 노력이 필요하게 된다. 이런 경우 전체구조물을 몇 개의 부구조(Substructure)로 분할해서 각각의 부구조를 하나의 슈퍼요소(Super element)로 치환하여 이 슈퍼요소의 조합에 의한 전체 구조의 해를 구한 뒤 그 결과를 이용하여 다시 각각의 부구조 내에서의 해를 구하는 것이 효율적인 경우가 많다. 또한, 실제 구조설계를 할 때 자연 발생적인 부구조들을 독립적으로 해석해서 합하게 되는 경우, 유용한 부구조의 특성을 활용하는 좋은 예가 된다. 또한, 부구조해석(Substructuring analysis)을 하는 경우 설계자는 구성요소의 거동에 대한 중간요소를 감지할 수 있는 이점도 있다. 특히, 교량 구조물의 경우에 상부구조와 하부구조를 부구조화하여 해석하는 것이 효율적이다(Cook et al., 1989; Fonseka, 1993; Furuike, 1972).
응축기법(Condensation method)에 의해서 내부의 변위를 소거하고 경계상의 변위만으로 표시하게 된다. 본 연구에서는 이러한 응축기법 중에서 Guyan의 감소방법(Guyan reduction method)을 사용한다. 일반적인 고유치문제의 방정식을 내부절점과 경계절점에 따라 부분화(Partitioning)하면 다음과 같다.
여기서, qI는 응축되어 제거되는 자유도(내부절점), qB는 응축후 남아있는 자유도(경계절점)이다.
Guyan 감소방법의 가정은 저차모드에 대해서 내부절점의 자유도에 작용하는 관성력은 경계절점의 자유도에 작용하는 탄성력보다 훨씬 덜 중요하다는 것이다. 따라서, 이러한 사항을 고려하여 경계절점을 선택하여야 정확한 해석결과를 얻을 수 있다. 즉, 내부절점의 운동은 경계절점의 운동에 따른 정적인 평형을 만족한다고 가정하는 것이다.
위의 식에서 [MBB]이외의 질량행렬의 영향을 무시하면 다음과 같은 관계식이 유도된다.
그러므로, 다음과 같은 변환 행렬의 구성이 가능하다.
여기서, [T]=-[KII]-1 [KIB]이다.
따라서, 내부절점의 자유도는 경계절점의 자유도에 의해서 다음과 같이 표현된다.
2.3.2 교량-열차 상호작용 해석에의 적용
부구조화 기법에 의해 내부절점과 경계절점으로 부분화한 부구조의 운동방정식은 다음과 같다.
위의 운동방정식에 식 (16)을 대입하여 정리하면 다음과 같이 경계절점에서의 자유도만으로 부구조의 운동방정식이 표현된다.
여기서,
여기서, [CBB*]는 [MBB*]와 [KBB*]를 이용하여 구성할 수 있으며, 부구조의 내부에 감쇠행렬을 갖는 연결요소가 포함되어 있을 경우에는 [MBB*]의 구성방법과 동일하게 다음과 같이 구성할 수 있다.
그리고, {PB*}는 다음과 같이 구성된다.
식 (16)와 (22)에서와 같이 내부절점과 경계절점의 자유도 간의 관계와 재하 하중 간의 관계가 동일하다. 그러므로, 가정에 의해서 내부절점과 경계절점의 자유도는 정적인 평형상태를 만족하여야 하므로, 내부절점과 경계절점의 재하 하중도 정적인 평형상태를 만족하게 된다. 내부절점에 재하되는 열차의 차륜하중은 (22)에 의하여 산정할 수도 있지만, 선형적으로 보간하여 간단하게 구성할 수 있다.
식 (18)에 의해서 구한 각 부구조의 운동방정식을 조합하면 다음과 같은 전체구조물의 운동방정식의 구성이 가능하다.
여기서, Ns는 부구조의 총수이다.
최종적으로 식 (23)을 식 (12)에 대입하면 부구조화 기법을 적용한 교량-열차 시스템의 상호작용에 대한 운동방정식이 다음과 같이 구성된다.
여기서, ,
이다.
2.4 궤도 불규칙 성분의 산정
미국의 FRA(Federal Railroad Administration)에서는 궤도 상태를 6등급(1등급: 불량∼6등급: 양호)으로 나누고 PSD 함수를 제안하여, 궤도등급에 따라 계수를 다르게 적용하여 사용할 수 있게 하였다(Table 1)(Fryba, 1996). 이러한 PSD 함수는 광범위한 실측치를 바탕으로 제안되었다. 연직방향의 궤도 불규칙성의 산정을 위해서 식 (25)와 같은 PSD 함수를 제안하였다.
본 연구에서는 위의 PSD함수를 이용하여 궤도 불규칙성을 산정하여 해석에 적용한다. 0의 평균값을 갖는 정상가우스랜덤과정(Stationary Gaussian random process)에 의한 다음의 식 (26)을 사용하여 연직방향 궤도 불규칙성의 산출이 가능하다.
여기서, x는 궤도방향 좌표, N은 고려하는 스펙트럼의 수, β는 랜덤수 산출 과정에 의해서 산정되는 값으로서 0에서 2p 사이의 값을 갖는다.
2.5 동적 수치해석 기법
본 연구에서는 동적 수치해석 기법으로서 직접적분법의 하나인 Newmark의 방법을 사용한다. 해의 무조건 안정(Unconditionally stable)을 확보할 수 있는 평균가속도법(Average acceleration method, γ=1/2, β=1/4)을 사용한다.
2.6 수치예제 결과 및 고찰
Fig. 6(a)의 고가철도교량에 대해서 단순 3차원 상호작용 해석모델의 유한요소 모형화(73개 절점)의 해석결과와 부구조화기법 상호작용 해석모델에 의한 해석결과를 비교한다. 고속 열차의 특성값은 Park(1999)의 연구에서 제시한 값들을 적용한다. 고가철도교량에 대한 구조 및 재료특성치는 Table 1과 Table 2에 보이고 있다. Fig. 6(b)와 같이 부구조화기법 상호작용 해석모델 I는 27개의 경계절점으로 모형화하였으며, Fig. 6(c)와 같이 부구조화기법 상호작용 해석모델 II는 13개의 경계절점으로 모형화하였고, 점선으로 표시된 부분이 하나의 부구조로 모형화한 부분이다.
Table 1.
Sectional properties of piers
|
Young’s Modulus (kgf/cm2) | Poisson’s ratio |
Unit mass (ton/m3) |
Area (A, m2) |
Moment of intertia (Iy, Iz, m4) |
Torsional constant (J, m4) |
| 2.6 × 105 | 0.18 | 2.5 | 11.341 | 10.235 | 20.471 |
Table 2.
Spring constant of bearing and foundation (global coordinate system)
Fig. 7에서는 각 경간 중앙점인 A, B, C점에서의 연직변위를 비교하였으며, 부구조화기법 상호작용 해석모델 I과 부구조화기법 상호작용 해석모델 II의 해석결과가 단순 3차원 상호작용 해석모델의 해설결과와 유사함을 알 수 있다. 여기서, 단순 3차원 상호작용 해석모델은 Song and Choi(2002)의 연구에서 실험치(Kim, 2000)와 비교하여 정확성이 확인된 바 있다. 정량적인 비교를 위하여 고유진동해설결과와 해석 소요시간을 비교하였다. Table 3에서는 10개의 고유진동모드의 고유진동수를 비교하고 있다. 부구조화기법 상호작용 해석모델 I의 경우에는 저차 10개 모드에 대하여 최대 0.3% 이내로 거의 동일한 고유진동수의 해석결과를 주고 있으며, 부구조화기법 상호작용 해석모델 II의 경우에는 저차 10개 모드에 대하여 최대 3.12% 이내로 거의 동일한 고유진동수의 해석결과를 보여 주고 있다. Table 4에서는 각 해석모델에 대한 해석단계별 소요시간을 비교하고 있다. 부구조화 기법을 사용할 경우 모형화 입력 시간 및 시스템행렬의 구성 부분에서의 소요시간은 오히려 증대하게 되지만 전체 소요시간의 절대적인 부분을 차지하게 되는 고유치 해석 및 시간단계별 동적해석 소요시간에 있어서 많은 시간을 절약하게 되는 것을 알 수 있으며, 총소요시간에 대해서는 부구조화기법 상호작용 해석모델 I은 8.1%, 부구조화기법 상호작용 해석모델 II는 84.8%의 소요시간을 절감하에 됨을 알 수 있다. 단순 3차원 해석모델의 적용과 동시에 부구조화 기법을 도입함으로써 효율적인 교량-열차 상호작용해석이 가능함을 알 수 있다.
Table 3.
Comparison of natural frequencies (Unit: Hz)
Table 4.
Consumed time of analysis models (Unit: second)
3. 결 론
본 연구에서는 단순 3차원 교량-열차 상호작용 해석모델을 기반으로한 부구조화기법 상호작용 해석모델을 제안하였으며, 이 해석모델을 이용하면 교량상부구조 및 교량하부구조를 구분하여 모형화 함으로써 효율적으로 교량-열차 상호작용해석의 수행이 가능하다. Guyan의 감소방법을 사용하여 자유도를 감소시킴으로써 고유치해석 및 이후의 시간 단계별 동적해석에 있어서의 계산 시간 등을 줄일 수가 있다. 이러한 응축기법을 사용함으로써 정확성이 떨어질 수 있지만, 적절한 경계절점을 정의하면 이러한 문제는 피할 수 있다. 제안한 부구조화기법 상호작용 해석모델에 의한 해석결과와 단순 3차원 상호작용 해석모델에 의한 해석결과를 비교하여 다음과 같은 결론을 얻을 수 있었다.
(1) 주요 저차 고유진동모드에 대해서 정확한 고유치해석이 가능하므로, 적절한 경계절점의 선택을 통해서 정확한 동적해석의 수행이 가능하다.
(2) 모형화 정보 입력 및 시스템행렬의 구성에 있어서 단순 3차원 상호작용 해석모델에 비하여 더 많은 시간이 소요될 수가 있지만 해석시간의 많은 부분을 차지하는 고유진동해석 및 시간 단계별 동적해석에 있어서 시간을 단축할 수 있어서 해석의 총소요시간이 단축된다. 그러므로, 정확성과 효율성을 고려한 해석을 위해서는 최적의 경계절점수와 경계절점의 위치를 선택하여야 한다.









